| Sign In | Join Free | My isp.org.cn |
|
Brand Name : Master Touch
Model Number : MST-MCW-TFS-8.4-STM
Place of Origin : Suzhou, Jiangsu, China
Price : negotiable
Payment Terms : L/C, T/T, Western Union
Supply Ability : 50000~100000pcs/month
Delivery Time : 5-8days
Packaging Details : 55*14*14cm Paper Tube
Product name : Pcap Touch Foil
Controller : STM
Screen Ratio : 4:3
Touch point : Max. 12
View Area : 8.4 inch (customized)
Communication Interface : USB2.0/3.0
Color : Transparent
Touch Technology : Projected Capacitive
Master Touch 8.4 Inch Small Size Multi-touch Yellow FPC Touch Foil
1. Product Description
Master Touch foil products have the following advantages:
2. Technical Datasheet
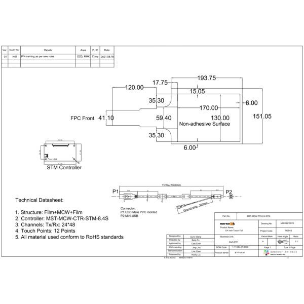
| Part No.: | MST-MCW-TFS-8.4-STM |
| BOM Code: | 1.11.084.01.0000 |
| Project Code: | M084S |
| Structure: | Film+Micro Copper Wire+Film |
| Copper Wire Diameter: | 15 microns |
| Base Material: | PET Film |
| Controller IC: | STM Series |
| Driver Type: | Driver-free, plug-n-play |
| Communication Interface: | USB2.0/3.0 |
| Working Voltage: | 5V |
| Standard USB Cable Length: | 1,500mm |
| Thru-Glass Capability: | Max. 6mm |
| Screen Ratio: | 4:3 |
| Foil Size: | 193.75*151.05mm |
| Active Area: | 170.00*130.00mm |
| Controller Size: | 87.0*47.0mm |
| FPC direction: | Short side |
| Light Transmittance | ≧89% |
| Lamination Method: | Wet Lamination (OCA) |
| Lamination Substrate: | Glass/Acrylic/PMMA or other non-metallic material |
| Inductive method | Improved projected capacitive technology |
| Touch accuracy | ±1mm |
| Touch Points | 1~12 points (adjustable) |
| Calibration method | Automatic |
| Response time | <10ms |
| Frame scan frequency | 120FPS |
| Lifetime | 9 Years |
| Temperature Range | -15℃ to + 75℃ |
| Working Environment | 0~ 95%RH(Unaffected by condensation) |
| OS compatibility | Windows XP ,Windows 7,Windows 8, Windows10 (32/64) |
| MAC OS X Lion | |
| Linux (Kernel version above 3.8) | |
| Above Android 4.0 (Kernel version above 3.1) | |
| EMC | EN 61000-6-1:2007, EN 61000-6-3:2007+A1:2011 |
| Power Consumption | <0.5W |
| *This device complies with Part 15 of the FCC Rules Operation is subject to the following two conditions:(1)this device may not cause harmful interference, and (2)this device must accept any interference received, including interference that may cause undesired operation. | |
3. Drawing

4. Details

5. Providing Solutions
Touch Foil
Touch Foil with Cover Glass
Touch Foil with Cover Glass and Metal Chassis
High brightness LCD
6. Capacitive Touch Foil Applications
POS Machine
Industrial Control industry
Touch Monitor
Information Kiosks
Gaming, Lottery ect
Multimedia marketing
Banking / Fanancial System
Touch Table
7.Target User
Touch Foil user: Zytronic/Displax distributor/end-user
System Integrator: application for industrial/digital signage/ video wall
Fields connected: Smart City/ Exhibition/ Self-service Kiosks/Educational Equipments
8. FAQ

|
|
12 Point 8.4 Inch Small Yellow FPC Multi Touch Foil Projected Capacitive Images |